Ремонт Sho-me

Розыгрыш!

Brazers

Профессионал
Регистрация
21.02.2010
Сообщения
2 643
Детектор
Sho-me 475/GPS-899+
Авто
Cruze
Мой рд уже не на гарантии я брал его на рынке без чека поэтому, пользуюсь тем что есть. А остальным следует знать что с 520 есть и такие проблемы.
 

Iljayk

Продвинутый
Регистрация
20.06.2010
Сообщения
248
Детектор
Conqueror X-323
Авто
Toyota
Мой рд уже не на гарантии я брал его на рынке без чека поэтому, пользуюсь тем что есть. А остальным следует знать что с 520 есть и такие проблемы.


А талон гарантийный есть?
Есть еще такой момент, по серийнику определяется дата выпуска, и обычно гарантия считается, стандартный срок + 2-3 месяца.
Тут на форуме выкладывались телефоны представителей Sho-me.
Я бы на вашем месте связался с ними, и обрисовал ситуацию, даже без чека есть шанс на ремонт, так как повторюсь, люди клентоориентированные, им похоже имидж важнее 60$.
Но дело конечно ваше.
 

Brazers

Профессионал
Регистрация
21.02.2010
Сообщения
2 643
Детектор
Sho-me 475/GPS-899+
Авто
Cruze
Iljayk гарантийного талона нет, только инструкция была в запечатанной упаковке, написал представителю шоми посмотрим когда ответят.
Вопрос Профессору а этот внутренний генератор как то можно перенастроить или нет может покрутить резисторы эти. Судя по фотографиям начинок они у всех по разному накручены вот варианты.
Первые два как у меня второй у кого то еще видел и плюс другая надпись на чипе у него была фото не сохранил.
 

Вложения

  • P1020126.JPG
    P1020126.JPG
    72,5 КБ · Просмотры: 3 121
  • P1020128.JPG
    P1020128.JPG
    54,7 КБ · Просмотры: 3 242
  • DSCF1861.JPG
    DSCF1861.JPG
    89,2 КБ · Просмотры: 3 198

Bashmik

Продвинутый
Регистрация
07.07.2010
Сообщения
229
Детектор
SHO-ME 1795, SUPRA DRS-77 VST
что то я на плате тактового гениратора не вижу! такая металлическая продолговатая деталька должна быть!
вот для наглядности
image011.jpg


МУстное предупреждение.
Прошу соблюдать Правила в части п.5
 

Brazers

Профессионал
Регистрация
21.02.2010
Сообщения
2 643
Детектор
Sho-me 475/GPS-899+
Авто
Cruze
я что то такого элемента на плате 520 не нашел :(
 

Bashmik

Продвинутый
Регистрация
07.07.2010
Сообщения
229
Детектор
SHO-ME 1795, SUPRA DRS-77 VST
всетаки думаю просадка по напряжению какая то в Вашем случае!
а что в поездке нет этого эфекта?
МУстное предупреждение.
Прошу соблюдать Правила в части п.5
 

Brazers

Профессионал
Регистрация
21.02.2010
Сообщения
2 643
Детектор
Sho-me 475/GPS-899+
Авто
Cruze
Нет в поездках работает как часы не вырубаеться ловит все кроме лазера.
 

Farnsworth

Специалист
Регистрация
25.08.2009
Сообщения
2 490
Детектор
x50
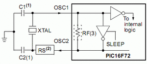
Brazers, (окончательная редакция поста)

Тактового генератора в РД не может не быть.
Блестящая деталька это кварцевый резонатор он задает частоту.
Могут применяться и керамические резонаторы.

Похоже что керамический резонатор вот это.

attachment.php


Надо посмотреть что подключено на 9 - 10 ногу PICа

attachment.php


Типовая схема подключения резонатора.

attachment.php
 

Вложения

  • pic.gif
    pic.gif
    15 КБ · Просмотры: 7 063
  • osc1.gif
    osc1.gif
    7,4 КБ · Просмотры: 7 266
  • osc-1.jpg
    osc-1.jpg
    16,1 КБ · Просмотры: 7 089

Brazers

Профессионал
Регистрация
21.02.2010
Сообщения
2 643
Детектор
Sho-me 475/GPS-899+
Авто
Cruze
Спасибо Farnsworth, если я найду такой же генератор и перепаяю - рд вернеться к нормальной жизни или нет, знать бы точно что в нем дело.
 

Brazers

Профессионал
Регистрация
21.02.2010
Сообщения
2 643
Детектор
Sho-me 475/GPS-899+
Авто
Cruze
Сегодня отдал детектор продавцу взяли типа на 2 недели потестировать, хз заменят или нет посмотрим напишу потом. Порадовал ответ от производителя что в Москве могут заменить без проблем, спасибо им хотя-бы за это, если продавец откажет в гарантии то буду искать варианты пересылки в мск.
 

andpuxa

Продвинутый
Регистрация
15.02.2010
Сообщения
186
Детектор
эскорт 8500
Авто
nissan maxima
моя эпопея с 685 закончилась, взял 1785 за трояк и не жжужу :)
 

Brazers

Профессионал
Регистрация
21.02.2010
Сообщения
2 643
Детектор
Sho-me 475/GPS-899+
Авто
Cruze
Итак говорю спасибо представителю smo-me Irska, связался с ней она помогла найти представителя в моем городе и проблемный 520 рд методом замены платы на другую был реанимирован :) Надеюсь он будет работать как часы :). Проверил сработки на стационарные крисы вроде все как и прежде расстояние приличное.
 

_Invait_

Зашел Спросить
Регистрация
01.11.2010
Сообщения
1
Детектор
sho-me 520, 685
Помогите определить элемент

Вот выгорело, кто бы мог маркировку скинуть на эту деталюху, аппарат 520 (не знаю разнится ли время покупки но покупал в июле 2010). заранее спаибо. замкнуло в следствии выворачивания винтика на регуляторе-включалке(((
 

Вложения

  • radar.JPG
    radar.JPG
    352,2 КБ · Просмотры: 2 232

Винни

Зашел Спросить
Регистрация
11.07.2011
Сообщения
2
Детектор
Sho-Me 1785 (сломался)
Авто
Рено
Подскажите где в Питере можно отремонтировать sho-me 1785 ?!
 

Alfavit

Зашел Спросить
Регистрация
16.10.2012
Сообщения
1
Детектор
Отсутствует
Авто
ВАЗ 2114
Sho-me 685 при включении горит Х 9 и непонятные потресквания в пищалке. Кто с таким сталкивался ??
 

Diner

Зашел Спросить
Заблокирован
Регистрация
05.04.2011
Сообщения
9
Детектор
Sho-Me 520 Silverstone F1 z550str
Авто
KIA Spectra
Никто не сталкивался с такой проблемой как тихий звук в ШоМи 529? Раньше орал как потерпевший а с недавних пор еле пищит.
 

sab79

Продвинутый
Регистрация
09.09.2011
Сообщения
132
Регион
цфо
Детектор
g1000 sig
Авто
БТР

Евгений39

Зашел Спросить
Регистрация
02.12.2012
Сообщения
1
Детектор
Sho-ME 530
Авто
Vito-110
Динамик 530

Господа нужна помощь!! Какай пьезоизлучатель (пьезодинамик) стоит на 530, я его сжог, перепутал 12 и 24 volt, при вскрытии маркировку на нём не обнаружил.
 

asdfg

Зашел Спросить
Регистрация
04.02.2013
Сообщения
1
Детектор
SHO-ME 213
Авто
ВАЗ 21113
Ребята, подскажите что за элемент с обозначением 8А с точкой слева от восьмёрки, в 213 модели. Перепутали полярность и откололся корпус этого элемента. Спасибо заранее.
 

mestizo

Остался Почитать
Регистрация
16.12.2011
Сообщения
85
Детектор
Sho-me 685 Продан, Sho-Me STR800
Авто
ВАЗ 2112
Ребята, подскажите что за элемент с обозначением 8А с точкой слева от восьмёрки, в 213 модели. Перепутали полярность и откололся корпус этого элемента. Спасибо заранее.
Фотку сможешь сделать?
 

Статистика форума

Темы
5 239
Сообщения
526 105
Пользователи
30 186
Новый пользователь
Александр Юрьевич
Верх Низ